HLFX.Ru Forum
профиль •  правила •  регистрация •  календарь •  народ •  FAQ •  поиск •  новое •  сутки •  главная •  выход  
HLFX.Ru Forum HLFX.Ru Forum > Разработка игр > Наши проекты > Xash3D > Реально ли, используя данные из исходников Xash3D сделать логгер для CS 1.6?
То есть программу, которая будет тупо записывать координаты игроков, например в файл.
Страницы (5): « 1 2 3 [4] 5 »   Предыдущая тема   Следующая тема
Автор
Тема Новая тема    Ответить
Chuvi
Частый гость

Дата регистрации: Nov 2012
Проживает: Россия/Санкт-Петербург
Сообщений: 36
Возраст: 34

Рейтинг



Да ну вас, тролли, блин

Перепроверил ещё раз: вроде всё правильно.


Кстати, да, а насколько структура демок отличается от того, что идёт по сети?
Просто есть мысль сделать штуковину, которой скармливаешь демку, и на выходе получаешь, например, инфу о том, кто в какой момент времени зашёл на сервер и кто когда вышел. Ну, и какие-нибудь другие события тоже.
А то иногда бывает муторно просматривать 2-х часовую демку, даже на быстрой перемотке.

[ Вложение ]
com_unmunge2.jpg

Сообщить модератору | IP: Записан
Сообщение: 110290

Старое сообщение 24-11-2012 13:24
- За что?
marikcool
Житель форума

Дата регистрации: Jul 2011
Проживает: kz
Сообщений: 1522
Возраст: 39

Рейтинг



Цитата:
Chuvi писал:
Просто есть мысль сделать штуковину, которой скармливаешь демку, и на выходе получаешь, например, инфу о том, кто в какой момент времени зашёл на сервер и кто когда вышел. Ну, и какие-нибудь другие события тоже.
А то иногда бывает муторно просматривать 2-х часовую демку, даже на быстрой перемотке.

compLexity Demo Player, open source.

__________________
vk.com/skullcapstudios

Сообщить модератору | IP: Записан
Сообщение: 110291

Старое сообщение 24-11-2012 13:42
- За что?
Chuvi
Частый гость

Дата регистрации: Nov 2012
Проживает: Россия/Санкт-Петербург
Сообщений: 36
Возраст: 34

Рейтинг



Цитата:
marikcool писал:
compLexity Demo Player, open source.

C#, печаль-печаль...
Однако, это лучше, чем ничего.
Просто если верить этому сообщению, структура демок очень похожа на то, что идёт по сети.

Сообщить модератору | IP: Записан
Сообщение: 110292

Старое сообщение 24-11-2012 14:08
- За что?
marikcool
Житель форума

Дата регистрации: Jul 2011
Проживает: kz
Сообщений: 1522
Возраст: 39

Рейтинг



Цитата:
Chuvi писал:
структура демок очень похожа на то, что идёт по сети.

одно и тоже не считая хидера в дем файле.

__________________
vk.com/skullcapstudios

Сообщить модератору | IP: Записан
Сообщение: 110293

Старое сообщение 24-11-2012 14:28
- За что?
Chuvi
Частый гость

Дата регистрации: Nov 2012
Проживает: Россия/Санкт-Петербург
Сообщений: 36
Возраст: 34

Рейтинг



Цитата:
marikcool писал:
одно и тоже

Там уже в раскодированном виде что-ли?
Просто сравниваю то, что в .dem и то, что в дампе UDP и не вижу ничего общего
(Да, к сожалению дамп UDP и демка не одни и те же.)

Добавлено 24-11-2012 в 19:28:

Пока что так...

Вложение: lv_goldsrc folder_2009.rar (182.7 кб)
Этот файл был скачан 591 раз.

Сообщить модератору | IP: Записан
Сообщение: 110294

Старое сообщение 24-11-2012 15:28
- За что?
fire64
Житель форума

Дата регистрации: Apr 2007
Проживает: Москва
Сообщений: 2362
Возраст: 35

Рейтинг



Chuvi, чем открыть?
Что это за формат?

__________________
Вся сила лысого кощея,
Сокрыта в башне из костей
Воздвигнутой, под небесами
На месте похорон людей

Сообщить модератору | IP: Записан
Сообщение: 110347

Старое сообщение 26-11-2012 05:45
- За что?
Chuvi
Частый гость

Дата регистрации: Nov 2012
Проживает: Россия/Санкт-Петербург
Сообщений: 36
Возраст: 34

Рейтинг



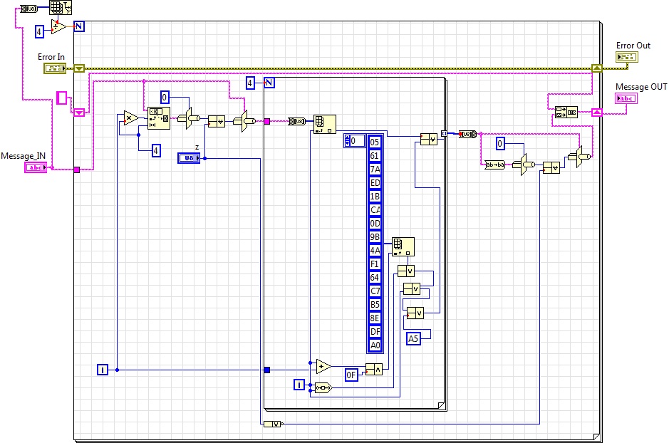
LabView

Сообщить модератору | IP: Записан
Сообщение: 110352

Старое сообщение 26-11-2012 08:42
- За что?
Chuvi
Частый гость

Дата регистрации: Nov 2012
Проживает: Россия/Санкт-Петербург
Сообщений: 36
Возраст: 34

Рейтинг



Имхо, так уже немного получше...

Цитата:
01 00 00 00 00 00 00 00 5A 19 01 00 1A 01 11 40 (01)(01)(01)(01)(01)(01)(01)(01)
01 00 00 80 01 00 00 00 2C 7D 6E 02 1A 01 11 41 (03)new(00)(01)(01)(01)
02 00 00 C0 01 00 00 80 59 18 01 03 3A 00 10 42 70 19 40 02 69 32 64 27 27 19 50 48 32 3F 28 61 00 60 3A 20 2B 66 69 70 77 6F 75 6E 6D 6B 30 31 18 12 62 36 (09)retry(0A)(00)(09)echo "* Privileges set"(0A)(00)
02 00 00 00 01 00 00 00 59 19 01 03 19 01 11 43 (01)(01)(01)(01)(01)(01)(01)(01)
03 00 00 00 02 00 00 80 58 19 01 02 18 01 11 42 (01)(01)(01)(01)(01)(01)(01)(01)
03 00 00 00 02 00 00 80 36 6A 64 00 70 6C 73 33 09 64 2E 66 00 (03)dropclient(0A)(00)
04 00 00 00 02 00 00 80 31 6A 64 07 77 6C 73 34 0E 64 2E 61 00 (03)dropclient(0A)(00)
05 00 00 00 02 00 00 80 30 6A 64 06 76 6C 73 35 0F 64 2E 60 00 (03)dropclient(0A)(00)



Забил я на это дело, ибо у нас на работе, наконец-то сделали нормальную локалку и фокусы с перехватом пакетов больше не проходят.

Зато мой сервак стал переодически падать (Assertion fault). Это, вроде как, у всех на билде августа 2012-го наблюдается.

Поднять сервер через пару секунд после падения - не очень большая проблема. А вот сказать людям, что сервер вернулся в строй уже сложнее. Посему, после не очень долгих раздумий, я решил попытаться сделать отдельную програму, которая разошлёт клиентам команду "retry" после возобновления работы сервера.

Сообщить модератору | IP: Записан
Сообщение: 114217

Старое сообщение 29-01-2013 20:42
- За что?
marikcool
Житель форума

Дата регистрации: Jul 2011
Проживает: kz
Сообщений: 1522
Возраст: 39

Рейтинг



Цитата:
Chuvi писал:
Поднять сервер через пару секунд после падения - не очень большая проблема. А вот сказать людям, что сервер вернулся в строй уже сложнее. Посему, после не очень долгих раздумий, я решил попытаться сделать отдельную програму, которая разошлёт клиентам команду "retry" после возобновления работы сервера.

отключеный клиент реагирует на ретри?

__________________
vk.com/skullcapstudios

Сообщить модератору | IP: Записан
Сообщение: 114221

Старое сообщение 30-01-2013 04:56
- За что?
fire64
Житель форума

Дата регистрации: Apr 2007
Проживает: Москва
Сообщений: 2362
Возраст: 35

Рейтинг



Цитата:
marikcool писал:
отключеный клиент реагирует на ретри?


Ну это же не TCP соединение.

Просто перестают поступать пакеты и там есть определенное время ожидания.

Думаю если успеть поднять сервер и послать нужный пакет, то все будет ок.

__________________
Вся сила лысого кощея,
Сокрыта в башне из костей
Воздвигнутой, под небесами
На месте похорон людей

Сообщить модератору | IP: Записан
Сообщение: 114222

Старое сообщение 30-01-2013 08:24
- За что?
marikcool
Житель форума

Дата регистрации: Jul 2011
Проживает: kz
Сообщений: 1522
Возраст: 39

Рейтинг



Цитата:
fire64 писал:
Ну это же не TCP соединение.

Просто перестают поступать пакеты и там есть определенное время ожидания.

Думаю если успеть поднять сервер и послать нужный пакет, то все будет ок.

ну при активной сессии, а если тебя дропнуло, думаешь клиент будет регировать на пакеты? я не думаю.

__________________
vk.com/skullcapstudios

Сообщить модератору | IP: Записан
Сообщение: 114224

Старое сообщение 30-01-2013 08:49
- За что?
Chuvi
Частый гость

Дата регистрации: Nov 2012
Проживает: Россия/Санкт-Петербург
Сообщений: 36
Возраст: 34

Рейтинг



Цитата:
marikcool писал:
отключеный клиент реагирует на ретри?


Ну, у меня, по крайней мере, клиент висит где-то 30 секунд после падения сервера. Точнее, мне надоедает ждать пока он сообразит, что сервер упал, и я тупо пишу disconnect.
Возможно, время ожидания можно настроить в cvar-ах.

Так что клиент как-раз таки не будет отключенным.


Нашёл cvar отвечающий за время отсоеденения.
cl_timeout

Можно, для надёжности, выставить всем его на, допустим, 20.

Отредактировано Chuvi 30-01-2013 в 11:01

Сообщить модератору | IP: Записан
Сообщение: 114231

Старое сообщение 30-01-2013 10:55
- За что?
fire64
Житель форума

Дата регистрации: Apr 2007
Проживает: Москва
Сообщений: 2362
Возраст: 35

Рейтинг



Цитата:
marikcool писал:
ну при активной сессии, а если тебя дропнуло, думаешь клиент будет регировать на пакеты? я не думаю.

Если сервер аварийно грохнулся, то с какой стати он должен клиентов дропать?

__________________
Вся сила лысого кощея,
Сокрыта в башне из костей
Воздвигнутой, под небесами
На месте похорон людей

Сообщить модератору | IP: Записан
Сообщение: 114234

Старое сообщение 30-01-2013 12:31
- За что?
marikcool
Житель форума

Дата регистрации: Jul 2011
Проживает: kz
Сообщений: 1522
Возраст: 39

Рейтинг



Цитата:
fire64 писал:
Если сервер аварийно грохнулся, то с какой стати он должен клиентов дропать?

ну раз сервера нет, то и клиенты на нем дропнулись.
и чтобы их вернуть, нужно свежий сервер вернуть в тот же стейт при краше, и разослать реконнет пакет.

__________________
vk.com/skullcapstudios

Сообщить модератору | IP: Записан
Сообщение: 114237

Старое сообщение 30-01-2013 13:12
- За что?
Chuvi
Частый гость

Дата регистрации: Nov 2012
Проживает: Россия/Санкт-Петербург
Сообщений: 36
Возраст: 34

Рейтинг



Цитата:
marikcool писал:
ну раз сервера нет, то и клиенты на нем дропнулись.


Выдерни витуху из компа и посмотри, дропнется ли у тебя клинет в ту же секунду (сервер-то исчез), или нет.

Сообщить модератору | IP: Записан
Сообщение: 114279

Старое сообщение 30-01-2013 19:14
- За что?
Тема: (Опционально)
Ваш ответ:



Переводчик транслита


[проверить длину сообщения]
Опции: Автоматическое формирование ссылок: автоматически добавлять [url] и [/url] вокруг интернет адресов.
Уведомление по E-Mail: отправить вам уведомление, если кто-то ответил в тему (только для зарегистрированных пользователей).
Отключить смайлики в сообщении: не преобразовывать текстовые смайлики в картинки.
Показать подпись: добавить вашу подпись в конец сообщения (только зарегистрированные пользователи могут иметь подписи).

Временная зона GMT. Текущее время 07:11. Новая тема    Ответить
Страницы (5): « 1 2 3 [4] 5 »   Предыдущая тема   Следующая тема
HLFX.Ru Forum HLFX.Ru Forum > Разработка игр > Наши проекты > Xash3D > Реально ли, используя данные из исходников Xash3D сделать логгер для CS 1.6?
То есть программу, которая будет тупо записывать координаты игроков, например в файл.
Версия для печати | Отправить тему по E-Mail | Подписаться на эту тему

Быстрый переход:
Оцените эту тему:

Правила Форума:
Вы not можете создавать новые темы
Вы not можете отвечать в темы
Вы not можете прикреплять вложения
Вы not можете редактировать ваши сообщения
HTML Код ВЫКЛ
vB Код ВКЛ
Смайлики ВКЛ
[IMG] Код ВКЛ
 

< Обратная связь - HLFX.ru >

На основе vBulletin
Авторское право © 2000 - 2002, Jelsoft Enterprises Limited.
Дизайн и программирование: Crystice Softworks © 2005 - 2024